Prise en téflon de haute qualité
Les tubes à vide de type UX et UF sont des prises disponibles
Tube à vide Fit
300B, 2A3, 45, PX4, PX25, PX25A, etc.
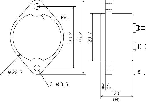
Trou de montage 30 μ distance vis 38,2 mm
300B et PX-25 peuvent être remplacés. Il s'adapte pour remplacer B4 type et UX-4P type.

La douille du tube d'origine est réalisée par découpe du polymère fluoré (ou compite) et fixation de la broche par découpe ronde. Cela évite la détérioration de la qualité sonore par les vibrations car le tube à vide est maintenu fermement sans cliquetis. Il sera également un élément clé de la construction d'amplificateurs à tube à vide en raison de ses excellentes propriétés d'isolation.
Description du matériau utilisé
FluoropolymèreLe nom officiel est tétrafluorure d'éthylène, l'isolation électrique et la diélectricité sont les meilleurs de tous les solides. Excellente résistance à la température.

Phosphore bronze: La plupart des prises tubulaires (sauf la série L) sont utilisées comme broches. Haute résistance, excellentes propriétés de ressort, maintenir un contact stable.

Placage d'or: La plupart des broches de douille sont en matériau de base non magnétique avec un placage d'or épais. (Sauf série L) Nous éliminons autant que possible les matériaux magnétiques du placage.





