Prise en téflon de haute qualité
Prise de tube Loctal utilisée pour les 7C5,7N7,C3m,C3o, etc.
Tube à vide Fit
1LA4, 7AF7, 7C5, 7N7, 5AZ4, etc.
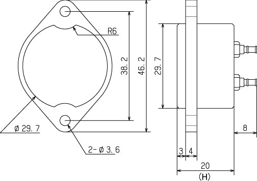
Trou de montage 30 μ distance vis 38,2 mm
Verrouiller lorsqu'il est inséré à l'arrière.
La douille du tube d'origine est réalisée par découpe du polymère fluoré (ou compite) et fixation de la broche par découpe ronde. Cela évite la détérioration de la qualité sonore par les vibrations car le tube à vide est maintenu fermement sans cliquetis. Il sera également un élément clé de la construction d'amplificateurs à tube à vide en raison de ses excellentes propriétés d'isolation.
Description du matériau utilisé
FluoropolymèreLe nom officiel est tétrafluorure d'éthylène, l'isolation électrique et la diélectricité sont les meilleurs de tous les solides. Excellente résistance à la température.
COMPITEC'est un matériau qui est séché de force et imprégné de résine phénolique comme substrat. Les propriétés électriques sont les mêmes que la bakélite et la résistance est meilleure. Il se caractérise par sa haute résistance à la chaleur et sa haute résistance, résultant en un son ferme.
Phosphore bronze: La plupart des prises tubulaires (sauf la série L) sont utilisées comme broches. Haute résistance, excellentes propriétés de ressort, maintenir un contact stable.
Placage d'or: La plupart des broches de douille sont en matériau de base non magnétique avec un placage d'or épais. (Sauf série L) Nous éliminons autant que possible les matériaux magnétiques du placage.





