Douille en Téflon de haute qualité
Des douilles adaptées à WE, 316A, 388A, etc.
Spécialement conçu pour accueillir le Western Electric 316A/388A
Ce produit est une prise à tubes 4 broches compatible avec Western Electric ainsi que d’autres tubes de sortie 316A et 388A. Il est conçu en tenant compte de la génération de chaleur et de la masse propres aux grandes triodes, et peut être utilisé dans un large éventail d’applications, de la production de nouveaux amplificateurs à lampes à la restauration de machines anciennes.
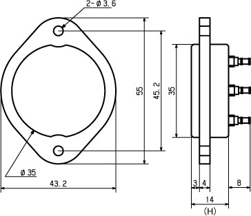
Les trous de fixation sont de 35 mm φ, l’espacement des vis est de 45,2 mm, et la hauteur sur le dessin de dimension est fixée à 15 mm.

Maintien sécurisé et haute performance d’isolation
Le corps de la douille est moulé en taillant un fluoropolymère (tétrafluorure d’éthylène). Le matériau présente une isolation électrique extrêmement élevée, une faible constante diélectrique et une excellente résistance à la chaleur, ce qui le rend idéal pour les amplificateurs à lampes utilisés dans des environnements à haute tension et haute température. Les broches sont fixées précisément par coupe circulaire, et la force de maintien sans cliquetis empêche les défaillances de contact induites par vibration et la dégradation de la qualité sonore.

Structure de broches pour un contact stable
Les broches de douille sont fabriquées en bronze phosphore pour leur solidité et leur ressortabilité, garantissant qu’elles maintiennent une pression de contact stable au fil du temps. De plus, une apprêt non magnétique est appliquée et dorée épaissement pour réduire la résistance de contact et augmenter la résistance au vieillissement. Le fait que les matériaux magnétiques pouvant nuire à la qualité sonore soient éliminés autant que possible est également une considération unique aux applications audio.

Maximisez les performances en gardant à l’esprit la dissipation de la chaleur
Comme les 316A et 388A sont des tubes à vide avec une grande génération de chaleur, une conception de dissipation de chaleur suffisante est nécessaire lors de l’utilisation de cette douille, ce qui permet à la fois fiabilité et qualité sonore. Grâce à sa construction robuste et à sa sélection de matériaux de haute qualité, cette prise peut être utilisée longtemps comme un composant de base important dans la fabrication d’amplificateurs à lampes.









