Hochwertiger Teflon -Sockel
Wird für We101, WE205 von Western Electric usw. verwendet.
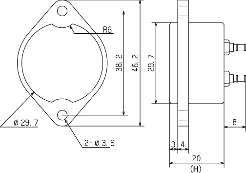
Anpassungsvakuumrohr
WE101, 102, 104, WE205 usw.
Montageloch 30sprache Schraubenabstand 38,2 mm
Die Höhe (h) in der Dimensionszeichnung beträgt 12 mm.
Achten Sie darauf, nicht die falsche Richtung einzulegen.
Die ursprüngliche Rohrhöhle wird durch Rasierfluororesin (oder Kamm-Pite) und das Fixieren von Rundschneidungen hergestellt. Dies verhindert, dass die Schallqualität aufgrund von Vibrationen eine Verschlechterung des Vakuumröhrchens nicht hält. Es hat auch hervorragende Isolationseigenschaften von Fluororesin, was es zu einem wichtigen Teil für Vakuumrohrverstärker macht.
Beschreibung der verwendeten Materialien
Fluorharz: Der offizielle Name ist Ethylen -Tetrafluorid, und seine elektrische Isolierung und Dielektrizitätskonstante sind die besten aller Festkörper. Es hat auch einen hervorragenden Temperaturwiderstand.

Phosphorbronze: Verwendet als Material für Stifte für die meisten Rohrhöhlen (mit Ausnahme der L -Serie). Es ist sehr stark und verfügt über hervorragende Frühlingseigenschaften, wobei ein stabiler Kontakt aufrechterhalten wird.

Vergoldet: Die meisten Stecknadeln werden mit einem nichtmagnetischen Basismaterial überzogen und dicht vergoldet. (Mit Ausnahme der L -Serie) Magnetische Materialien werden ebenfalls so weit wie möglich durch die Verschleppung beseitigt.




