Hochwertiger Teflon -Sockel
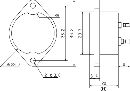
ROCTAL -Röhrenhöhlen für 7C5, 7N7, C3M, C3O usw. verwendet.
Anpassungsvakuumrohr
1LA4, 7AF7, 7C5, 7N7, 5AZ4 usw.
Montageloch 30sprache Schraubenabstand 38,2 mm
Es wird gesperrt, wenn Sie es den ganzen Weg einfügen.
Die ursprüngliche Rohrhöhle wird durch Rasierfluororesin (oder Kamm-Pite) und das Fixieren von Rundschneidungen hergestellt. Dies verhindert, dass die Schallqualität aufgrund von Vibrationen eine Verschlechterung des Vakuumröhrchens nicht hält. Es hat auch hervorragende Isolationseigenschaften von Fluororesin, was es zu einem wichtigen Teil für Vakuumrohrverstärker macht.
Beschreibung der verwendeten Materialien
Fluorharz: Der offizielle Name ist Ethylen -Tetrafluorid, und seine elektrische Isolierung und Dielektrizitätskonstante sind die besten aller Festkörper. Es hat auch einen hervorragenden Temperaturwiderstand.
Komprit: Ein Material, das durch gewaltsames Trocknen von Holz und imprägniert es mit Phenolharz als Grundmaterial und hat die gleichen elektrischen Eigenschaften wie Bakelit, was es zu einem Material mit noch besserer Festigkeit macht. Es ist auch sehr hitzebeständig und hat eine starke Stärke, was es zu einem festen Klang macht.
Phosphorbronze: Verwendet als Material für Stifte für die meisten Rohrhöhlen (mit Ausnahme der L -Serie). Es ist sehr stark und verfügt über hervorragende Frühlingseigenschaften, wobei ein stabiler Kontakt aufrechterhalten wird.
Vergoldet: Die meisten Stecknadeln werden mit einem nichtmagnetischen Basismaterial überzogen und dicht vergoldet. (Mit Ausnahme der L -Serie) Magnetische Materialien werden ebenfalls so weit wie möglich durch die Verschleppung beseitigt.





