Hochwertiger Teflon -Sockel
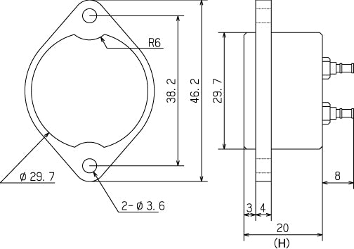
Wird für Pentapod -Ausgangsrohre 6CA7, KT66, KT88 usw. verwendet.
Anpassungsvakuumrohr
6CA7, KT66, KT88, 6550A, 6SN7 usw.
Montageloch 30φ, Montageschraubenabstand 38,2 mm
Die ursprüngliche Rohrhöhle wird durch Rasierfluororesin (oder Kamm-Pite) und das Fixieren von Rundschneidungen hergestellt. Dies verhindert, dass die Schallqualität aufgrund von Vibrationen eine Verschlechterung des Vakuumröhrchens nicht hält. Es hat auch hervorragende Isolationseigenschaften von Fluororesin, was es zu einem wichtigen Teil für Vakuumrohrverstärker macht.
Beschreibung der verwendeten Materialien
Fluorharz: Der offizielle Name ist Ethylen -Tetrafluorid, und seine elektrische Isolierung und Dielektrizitätskonstante sind die besten aller Festkörper. Es hat auch einen hervorragenden Temperaturwiderstand.
Phosphorbronze: Verwendet als Material für Stifte für die meisten Rohrhöhlen (mit Ausnahme der L -Serie). Es ist sehr stark und verfügt über hervorragende Frühlingseigenschaften, wobei ein stabiler Kontakt aufrechterhalten wird.
Vergoldet: Die meisten Stecknadeln werden mit einem nichtmagnetischen Basismaterial überzogen und dicht vergoldet. (Mit Ausnahme der L -Serie) Magnetische Materialien werden ebenfalls so weit wie möglich durch die Verschleppung beseitigt.





